

Hydraulic Double Pilot Operated Check Valve For 12 mm Pipe Mounting, VBPDE 3/8" L 2 CEXC, Pilot Ratio 1:5,5, Max Flow 30L/min, Max Pressure 350 Bar, Cracking Pressure 4 Bar
Product Features:
Customers who bought this product also bought these
Hydraulic Double Pilot Operated Check Valve 3/8" BSP x 12 mm Pipe Mounting (DIN 2353), VBPDE 3/8" L 2 CEXC

| CODE | TYPE | PILOT RATIO | MAX FLOW Lt. / min |
MAX PRESSURE Bar |
CRACKING PRESSURE Bar |
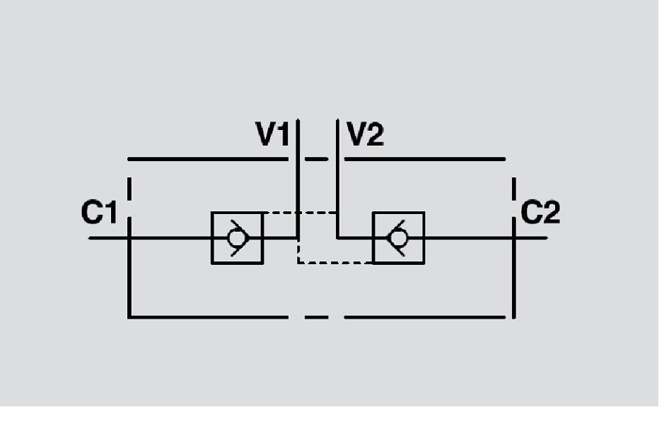
V1-V2 | C1-C2 mm |
L mm |
L1 mm |
L2 mm |
L3 mm |
L4 mm |
H mm |
S mm |
WEIGHT Kg |
| V0091 | VBPDE 1/4” L 2 CEXC – 10L | 1:5,5 | 20 | 350 | 7 | G 1/4" | 10L | 64 | 125 | 36 | 160 | 82 | 40 | 30 | 0.644 |
| V0090 | VBPDE 1/4” L 2 CEXC | 1:5,5 | 20 | 350 | 4 | G 1/4" | 12L | 64 | 130 | 36 | 160 | 84 | 40 | 30 | 0.648 |
| V0110 | VBPDE 3/8” L 2 CEXC | 1:5,5 | 30 | 350 | 4 | G 3/8" | 12L | 64 | 130 | 36 | 166 | 84 | 40 | 30 | 0.63 |
USE AND OPERATION:
Pilot check valves are used to block the actuator in both directions. Flow is free in one direction and blocked in the reverse direction until pilot pressure is applied. They are easily assembled on a cylinder. We supply on request fitting kits for mounting on cylinders with a specific centre distance.
MATERIALS AND FEATURES:
Body: zinc-plated steel.
Internal parts: hardened and ground steel.
Seals: BUNA N standard.
Leakage: Guided poppet – negligible leakage.
CONNECTIONS:
Connect V1 and V2 to the supply and C1 and C2 to the actuator with the pipe.
ON REQUEST
- Without seal on pilot piston
- 1 Bar spring
- 8 Bar spring
Oil temperature: 50° C – Oil viscosity: 30 cSt
General delivery information
Thank you for visiting and shopping at www.flowfitonline.com. Below are the terms and conditions for the Shipping Policy for Harrier Fluid Power Ltd T/A Flowfit.
Orders are processed and shipped during standard working hours (08:30–17:00 BST), Monday to Friday (excluding Bank Holidays). All orders placed before 4pm Monday to Thursday and 3pm on Friday are processed and despatched on the same business day.
If we are experiencing a high volume of orders, shipments may be delayed by 1–2 days. Please allow additional days in transit for delivery. If there will be a significant delay in shipment of your order, we will contact you via email or telephone.
United Kingdom delivery rates & estimates
| Service | Price | Terms |
|---|---|---|
| FREE Delivery | FREE | Free UK delivery is available for orders over £99.99+ VAT. Delivered by close of business next working day. |
| Express Delivery | £9.99 + VAT | UK Mainland delivery for orders under £99.99 + VAT. Delivered by close of business next working day. |
| Express 9am | £42.95 + VAT | Delivered by 9am next working day. |
| Express 12pm | £20.95 + VAT | Delivered by 12pm next working day. |
| Channel Islands | ||
| Standard Delivery | £20.95 + VAT | Delivery in 2–3 working days. |
| UK Highlands & Isles | ||
| Order value below £99.99 + VAT | £31.95 + VAT | Delivery in 2–3 working days. |
| Order value over £99.99 + VAT | £28.95 + VAT | Delivery in 2–3 working days. |
* Overnight delivery is only available for certain delivery addresses within the United Kingdom. Please contact us beforehand to confirm eligibility.
Email sales@flowfitonline.com or call 01584 876 033.
Collection: Customers are welcome to arrange collection using a courier of their choosing, or collect in person from our depot in Ludlow, Shropshire. Please advise us in advance so we can ensure your order is complete before collection.
International delivery rates & estimates
Shipping charges depend on weight and destination country and are calculated and displayed at checkout. Orders for delivery within the EU typically arrive on a 2–5 day service (depending on the destination). Shipments outside the EU typically arrive on a 3–7 day service (depending on the destination).
Please contact our Sales team for accurate delivery times. If your parcel has not arrived within the expected timeframe, please get in touch. Please ensure the shipping address entered at checkout is correct; we are not responsible for incorrect or undeliverable addresses.
Customs, duties and taxes
Import duties, taxes, and brokerage fees are not included in the product price or shipping and handling costs. These charges are the buyer’s responsibility. You may check with your country’s customs office to determine any additional costs.
By placing an international order (shipping outside the United Kingdom), the buyer is responsible for complying with their country’s laws, regulations, and restrictions. If a product is seized and destroyed by customs, we will not be responsible for losses, products, or shipping refunds.
Shipment confirmation & order tracking
You will receive a Shipment Confirmation email once your order has shipped, containing your tracking number(s). Tracking will be active within 24 hours.
Working closely with top carrier experts
We use some of the top carrier companies in the world, although you can also use your own carrier to collect your order. All deliveries require a signature on delivery. Below are our main carrier companies.

Damages
Harrier Fluid Power Ltd T/A Flowfit is not liable for products damaged or lost during shipping. If you receive your order damaged, please contact us to file a claim. Please save all packaging materials and damaged goods before filing a claim.
Returns policy
Our Return & Refund Policy provides detailed information about options and procedures for returning your order.
Click here for the technical PDF





