
These valves are used to control the actuator movements and block it in both directions. In order to have the descent of a load under control and avoid the load’s weight being carried away the valve will prevent any cavitation of the actuator.
Product Features:
Customers who bought this product also bought these
OLEODINAMICA MARCHESINI, DOUBLE OVERCENTRE VALVE, PARTIALLY BALANCED, VBCD DE-A PB

| Code | Type | Pilot Ratio | Max Flow Lt / min |
Max
Pressure Bar |
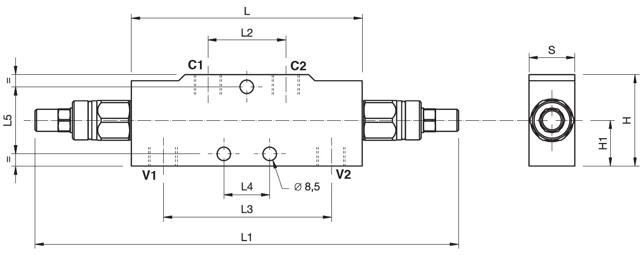
V1 - V2 C1 - C2 |
L mm |
L1 mm |
L2 mm |
L3 mm |
L4 mm |
L5 mm |
H mm |
H1 mm |
S mm |
Weight Kg |
| V0315 | VBCD 3/8’’ DE-A PB | 1:4.5 | 40 | 350 | 3/8" BSP | 150 | 277 | 50 | 110 | 30 | 44 | 60 | 30 | 30 | 2.176 |
| V0316 | VBCD 1/2’’ DE-A PB | 1:4.5 | 60 | 350 | 1/2" BSP | 150 | 277 | 50 | 110 | 30 | 44 | 60 | 30 | 30 | 2.122 |
USE AND OPERATION
These valves are used to control the actuator movements and block it in both directions. In order to have the descent of a load under control and avoid the load’s weight being carried away the valve will prevent any cavitation of the actuator. The valve setting and pilot pressure is insensitive to back pressure. The valve is used in combination with a closed centre control valve.
MATERIALS AND FEATURES
Body: zinc-plated steel.
Internal parts: hardened and ground steel.
Seals: BUNA N standard.
Leakage: negligible leakage.
Standard setting: 320 Bar.
Valve setting must be at least 1.3 times more than load
pressure in order to enable the valve to close even when
subjected to the maximum load pressure.
CONNECTIONS
Connect V1 and V2 to the supply, C1 and C2
to the actuator to be controlled.
ON REQUEST
• other pressure settings are available
• sealing cap (CODE/P000) and arrangement for sealing
cap (CODE/PP)
Oil temperature: 50° C - Oil viscosity: 30 cSt
GENERAL DELIVERY INFORMATION
Thank you for visiting and shopping at www.flowfitonline.com. Following are the terms and conditions for the Shipping Policy for Harrier Fluid Power Ltd T/A Flowfit.
Orders will be processed and shipping during standard working hours (0830 – 1700 BST) Monday to Friday (excluding Bank Holidays). All orders placed before 4pm Monday to Thursday and 3pm on a Friday, are processed and despatched on the same business day. If we are experiencing a high volume of orders, shipments may be delayed by 1-2 Days. Please allow additional days in transit for delivery. If there will be a significant delay in shipment of your order, we will contact you via email or telephone.
UNITED KINGDOM DELIVERY RATES & ESTIMATES
| United Kingdom | Price | Terms |
| FREE Delivery | FREE | Free United Kingdom delivery is available for orders over £99.99+VAT. Delivered by close of business next working day. |
| Express Delivery | 9.99 + VAT | UK Mainland Delivery under £99.99 + VAT. Delivered by close of business next working day. |
| Express 9am | £42.95 + VAT | Delivered by 9am next working day |
| Express 12pm | £20.95 + VAT | Delivered by 12pm next working day |
| Channel Irelands | ||
| Standard Delivery | £20.95 + VAT | Delivery between 2-3 working days |
| UK Highlands & Isles | ||
| Order valve below £99.99 + VAT | £31.95 + VAT | Delivery between 2-3 working days |
| Order valve over £99.99 + VAT | £28.95 + VAT | Delivery between 2-3 working days |
* Overnight delivery is only available for orders for certain delivery addresses within the United Kingdom. Please contact us beforehand to see if you are eligible.*
If your order is urgent and you need delivery to be guaranteed for a certain day or time please contact us as soon as possible. Our email is sales@flowfitonline.com or you can call us on 01584 876 033 for quicker turn around.
Collection – All customers are welcome to have their order collected by another courier of their choosing, or come to our depot in Ludlow, Shropshire to collect their order in person. We kindly ask that customers advise us in advance that they’re planning to collect their order so that we can make sure the order is complete before being collected.
INTERNATIONAL DELIVERY RATES & ESTIMATES
Shipping charges for your order will depend on weight and country the order is to be shipped to. All cost will be calculated and displayed at checkout. All orders for delivery within the EU will arrive on a 2-5 delivery service depending on Country location. All shipments outside the EU will arrive on a 3–7-day delivery service depending on Country location. Please check for accurate delivery times with our Sales department. If you Parcel has not arrived within the time expected please do not hesitate to contact us. Please ensure the ship to address you type during checkout is correct. We are not responsible for any wrong or undeliverable addresses.
CUSTOMS, DUTIES AND TAXES
Import duties, taxes, and brokerage fees are not included in the product price or shipping and handling cost. These charges are the buyer’s responsibility as we are only charging the transportation fee for your order. You may check with your country’s customs office to determine if there will be additional costs. The buyer is responsible for obtaining information regarding their country’s laws, regulations, and restrictions that may apply when purchasing our products. By placing an international order (shipping outside of the United Kingdom) the buyer is responsible for abiding by their country’s laws, regulations, and restrictions. If product is seized and destroyed by customs, we will NOT be responsible for the losses, product, or shipping refunds.
SHIPMENT CONFIRMATION & ORDER TRACKING
You will receive a Shipment Confirmation email once your order has shipped containing your tracking number(s). The tracking number will be active within 24 hours.
WORKING CLOSELY WITH TOP CARRIER EXPERTS
We use some of the top carrier companies in the world, although you can use your own carrier to collect the order. All deliveries require a signature on delivery. Below are our main carrier companies.

DAMAGES
Harrier Fluid Power Ltd T/A Flowfit is not liable for any products damaged or lost during shipping. If you received your order damaged, please contact us to file a claim. Please save all packaging materials and damaged goods before filing a claim.
RETURNS POLICY
Our Return & Refund Policy provides detailed information about options and procedures for returning your order.
Click here for the technical PDF





